產品概述
電動矩形百葉閥主要安裝在鋼鐵冶金系統的熱風爐、加熱爐、換熱器、除塵器等系統的冷風、煤氣、空氣及煙氣管道上,起到調節介質流量的作用。也可以起到大面積截斷介質、降低介質壓力的作用。當擋板在90°行程內開度變化時,通過管路中的工質流量和壓頭也相應呈線性改變,風門的線性調節特性優良,運行穩定可靠。
工作原理及結構特點
電動矩形百葉閥是垂直百葉板式具有調節特性的閥門,由閥體、百葉板、閥軸、聯動機構、電動裝置等主要部件組成,全部為焊接結構,軸端采用柔性石墨編織填料密封,耐高溫。百葉板的啟閉靠手輪或電機驅動Z系列電動裝置,電動裝置的輸出經過一級蝸輪傳動裝置將輸出力矩傳動給閥軸,靠閥軸的轉動驅動聯動機構,使多個百葉板同步旋轉,用以改變管道內截面積,以達到調節介質流量、大面積截斷介質或降低介質壓力的作用,調節角度為0-90°。
主要技術參數
閥門 | 公稱通徑DN(mm) | 120x120—3000x3000 | |
適用溫度(℃) | ≤300 | ≤500 | |
工作壓力(MPa) | ≤0.1 | ||
適用介質 | 煤氣、空氣、煙氣 | ||
電動裝置 | FBD941W-1C型號 | 一級Z系列電動裝置 +二級蝸輪傳動裝置 | |
TFBD941W-1C型號 | DKJ、SKJ電動執行機構 | ||

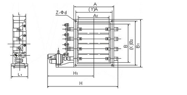
主要外形及連接尺寸
|
口徑 A1 XB1 | A3XB3 | A2XB2 | b | n-Φd | L | FD9Z41-1 | FD9T41 | FD641 | FD341 | 重量 (Kg) | |
| L1 | 執行器 | 執行器 | 執行器 | 執行器 | |||||||
| 120x120 | 200X200 | 170x170 | 10 | 8-Φ12 | 140 | 390 | DKJ-210 | DTII 6320 -M | QGBII- D63x120 | S-01 | 80 |
| 160X160 | 240x240 | 210x210 | 430 | 89 | |||||||
| 200X200 | 280X280 | 258X258 | 14 | 470 | 105 | ||||||
| 250X250 | 330X330 | 300X300 | 520 | 112 | |||||||
| 320X320 | 400X400 | 370X370 | 16 | 170 | 590 | 148 | |||||
| 400x400 | 500X500 | 470X470 | 12-Φ15 | 190 | 670 | 170 | |||||
| 500X500 | 600X600 | 570X570 | 800 | DKJ-310 |
DTII 100 20-M | QGBII- D100x160 | S-02 | 210 | |||
| 630X630 | 750X750 | 710X710 | 18 | 16-Φ17 | 210 | 930 | 260 | ||||
| 800x800 | 920X920 | 880X880 | 1180 | 372 | |||||||
| 1000x1000 | 1120x1120 | 1080X1080 | 20-Φ17 | 250 | 1380 | DKJ 410 | DTII 300 40-M | QGBII- D200x250 | S-03 | 540 | |
| 1250x1250 | 1370X1370 | 1330X1330 | 20 | 24-Φ17 | 1630 | 810 | |||||
| 1600X1600 | 1740x1740 | 1690X1690 | 24 | 32-Φ19 | 300 | 2040 | DKJ-510 DKJ-610 |
DTII 100 70-M | QGBII- D250x400 | S-05 | 1240 |
| 2000X2000 | 2140X2140 | 2095X2095 | 40-Φ19 | 2630 | 3030 | ||||||
| 2500X2500 | 2650X2650 | 2600X2600 | 28 | 52-Φ22 | 400 | 3130 | DKJ 710 | S-06 | 3640 | ||
| 3000X3000 | 3150x3150 | 3100x3100 | 60-Φ22 | 3630 | 4150 | ||||||